01 诊断目的和对象
某水泥集团有限公司共有两台水泥磨机,每台磨机有两台减速器。2000年7月2号水泥磨机减速器又出现了振动、噪声较大的不良状态。
水泥磨机的有关原始数据:
①水泥磨机:规格,Φ4.2x13.2m;产量,105t/h;罗马尼亚产;
②电动机:型号,MIP-A-2000-1000;功率,2000kW;功率因数,0.83;转速,990r/min;罗马尼亚产;
③减速器:型号,BH180;功率,2000kW;减速比,980/108.9。
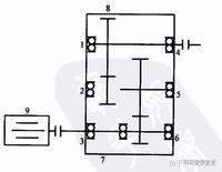
测点布置如图1,1、4测点位于减速器输出轴的两个轴承座上,2、5测点位于中间轴的两个轴承座上,3、6测点位于输入轴的两个轴承座上。9测点位于电动机外壳顶端,7、8测点位于减速器输入、输出轴箱体上。2号水泥磨机两台(3号、4号)减速器、电动机,测点仅标其中一台,另一台测点与之对应。

图1 测点布置图
1~9—测点位置
02 诊断方法及分析
主要故障特征频率:①各传动轴回转频率:输入轴,16.5Hz;中间轴,3.23Hz;输出轴:1.82Hz;②两级减速的齿轮啮合频率:一级Z1Z2,330Hz;二级Z3Z4,171.2Hz;③各轴承故障基阶特征频率见表1。
表1 各轴承故障基阶特征频率

由图2a可以得出如下结论:
1)两减速器中间轴每转一圈(时间为305.5 ms)均有一次较强烈的振动,估计与轮齿损伤有关。
2) 3号减速器主要振动频率为中间轴每转振动102次,正好为齿轮Z2的齿数,表明齿轮Z2齿面出现损伤。齿轮Z2各齿啮合产生的振动幅度值大小不一,表明各齿的损伤程度不同。
3) 4号减速器中时域图每一条幅值线代表啮合一次的振动,在最大冲击振动幅值线两侧存在有较高的幅值线,表明有几个轮齿存在较大的变形。经修形后,最大振动幅值降低约为50%,但仍偏高,说明轮齿修形未完全到位。
由图2b可以得出如下结论:
1)两减速器振动的主要频率为齿轮Z3、Z4的啮合频率171.9Hz和齿轮Z1、Z2的啮合频率331.2Hz及其2倍频、3倍频,表明这两对齿轮的啮合振动是主要振源。3号减速器齿轮Z1、Z2啮合振动较大,表明轮齿的制造误差及齿面损伤是引起振动的主要原因。而4号减速器齿轮Z1、Z2的啮合频率、2倍频、3倍频的谱线幅值呈递减规律,表明其总体啮合状态尚可。
2)在3号减速器齿轮Z1、Z2的啮合频率 331.2Hz的两边,出现明显的边频,且谱线间的差频为15.62Hz,正好与输入轴的回转频率相吻合,表明331.2Hz 与15.62Hz产生调制现象,说明输入轴小齿轮Z1存在偏心。而 4 号减速器无明显调制现象,表明Z1偏心较小。
3)从频谱图上未发现两台减速器有明显的轴承故障谱线,表明各轴承工作正常。

图2 时域图和频域图
a) 时域图 b)频域图
结论
2号磨机两台减速器经打开检查发现:3号减速器Z2齿轮的一个齿沿齿长方向从齿根部已断去200mm左右,只剩下170mm左右参与工作,其余各齿面出现不同程度的点蚀和剥落;齿轮Z1、Z2沿齿长方向只有约 2/3 部分参与啮合,表明存在齿向误差;齿轮Z3、Z4齿面均有轻度点蚀和剥落。4号减速器Z2齿轮在局部圆周上有 3个齿面点蚀剥落严重,并靠近齿端,沿齿长方向其余齿面参与啮合较少,Z2齿轮其余轮齿齿面有不同程度的轻伤和点蚀;齿轮Z1齿面状况良好;齿轮Z3、Z4齿面出现程度不一的点蚀和剥落。现场发现的情况基本和我们的预测相一致。
客服热线:











