涂志燕
(安科瑞电气股份有限公司,上海,嘉定 201801)
摘要:近年来,我国城市发展速度加快。很多城市大力建造地下建筑设施,比如地铁、地下停车场和地下商场等。地下商场属于人员密集型建筑,其防火设计一直令相关的专家头疼。由于人员密集,防火处理不好将酿成灾难性的后果。因此,防火十分重要。
防火设计可以着重于疏散和火灾探查报警系统两个方面,而电气火灾监控系统在实际预警和报警过程中有着重要作用。电气防火限流式保护器可以有效克服传统断路器、空气开关和监控设备存在的短路电流大、切断短路电流时间长、短路时产生的电弧火花大,以及使用寿命短等弊端,当发生短路故障时,能以微秒级速度快速限制短路电流以实现灭弧保护,从而能显著减少电气火灾事故,保障使用场所人员和财产的安全。
苏版民电火规和沪版民电火规关于电气防火限流式保护器的相关描述相同。
关键词:地下商场;人员密集;逃生困难;线路老化;短路保护;过载保护,智慧灭弧
0 行业背景
近年来,我国城市发展速度加快。商业建筑的建成和完善,为民众提供了休闲购物的场所。然而地面面积有限,很多城市大力建造地下建筑设施,比如地铁、地下停车场和地下商场等。地下商场属于人员密集型建筑,其防火设计一直令相关的专家头疼。通常来说,商场主要包含超市、服饰店、食品店、电影院等场所,且商场内应用的是开放式或内部中庭式的防火设计形式。大型商场火灾的种类繁多,火灾的具体状况与商场的设计以及起火部位、扩大空间等有着千丝万缕的联系。一旦处理不好将酿成灾难性的后果。因此,其防火十分重要。
防火设计可以着重于疏散和火灾探查报警系统两个方面,而电气火灾监控系统在实际预警和报警过程中有着重要作用。电气火灾监控系统包括多个内容,电气火灾监控设备,剩余电流式电气火灾监控探测器,测温式电气火灾监控探测器,故障电弧探测器,电气防火限流式保护器,中线安防保护器等。
上海市2016年发布的工程建筑规范《民用建筑电气设计防火规程》中对电气防火限流式保护器有相关描述,规程为 DGJ 08-2048-2016,其中第5.4.8条规定:“租售式商场商铺、批发市场、集贸市场、甲乙丙类危险品库房等场所的末端配电箱应设置电气防火限流式保护器;幼儿园、老年人建筑、集体宿舍及电动车充电站等场所的末端配电箱宜设置电气防火限流式保护器。”
江苏省2019年发布了地方标准《建筑电气防火设计规程》,标准DB 32/T 3698-2019。苏版民电火规和沪版民电火规关于电气防火限流式保护器的相关描述相同。
本文简单介绍电气防火保护器在某地下商场应用的相关内容。
1 产品介绍
ASCP系列电气防火限流式保护器是安科瑞专门为了保护低压配电线路中短路、过载等问题研发,可以有效克服传统断路器、空气开关和监控设备存在的短路电流大、切断短路电流时间长、短路时产生的电弧火花大,以及使用寿命短等弊端,当发生短路故障时,能以微秒级速度快速限制短路电流以实现灭弧保护,从而能显著减少电气火灾事故,保障使用场所人员和财产的安全。
保护器可广泛应用于学校、医院、商场、宾馆、娱乐场所、寺庙、文物建筑、图书馆、档案室、会展、住宅、仓库、幼儿园、老年人建筑、集体宿舍、电动车充电站及租售式商场商铺、批发市场、集贸市场、甲乙丙类危险品库房等各种用电场所末端干、支路的线路保护。
保护器主要有两个型号适用于地下商场用电监控,ASCP200-20D是简易型保护器,主要适用于额定电流20A以下的照明和插座回路。ASCP200-40D是功能型保护器,主要适用于额定电流40A以下的插座和其他用电回路。两种型号保护器均采用导轨安装,可以与空气断路器并排安装。
2 功能介绍
■ 短路保护功能。保护器实时监测用电线路电流,当线路发生短路故障时,能在150微秒内实现快速限流保护,并发出声光报警信号。
■ 过载保护功能。当被保护线路的电流过载且过载持续时间超过动作时间(3~60秒可设)时,保护器启动限流保护,并发出声光报警信号。
■ 表内超温保护功能。当保护器内部器件工作温度过高时,保护器实施超温限流保护,并发出声光报警信号。
■ 通讯功能。保护器具有1路RS485接口,Modbus-RTU协议。可以将数据发送到后台监控系统,实现远程监控。
ASCP200系列标配以上四个功能,ASCP200-40D功能型还包含过欠压保护功能,线缆温度监测功能,剩余电流监测功能,选配无线通讯方式,支持4G、NB-IoT。
4 产品应用
下图为学生宿舍用电回路装设电气防火限流式保护器设计示例。
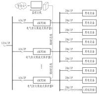
对于商场商铺的末端配电箱,电气防火限流式保护器安装于出线回路,供电回路电流先经过保护器,再接到插座或者照明回路。
所有的末端设备可以通过有线或者无线的方式接入到电气火灾监控主机,主机设置在地下商场的消控室,消控室也可以布置智慧消防云平台,监控所有接入的消防设备,云平台可以采用网页访问,也支持手机APP查看数据和报警。组网方式如下图所示:
方便消控室值班人员对整个宿舍区域的消防乃至整个学校的消防进行线上管理和维护,提供有效的远程技术支持,及时发现隐患,及时发现问题,排查问题和解决问题。
5 现场安装
现场安装如下图所示


平台界面如下所示。
手机APP界面如下所示:

6 结语
地下商场人员密集,而且大部分商铺自行装修,水电设计粗糙,火灾隐患较大,如果有条件的情况下可以进行专项改造,条件不允许的情况下可以加强管理和监测,预防火灾和用电事故。
电气防火保护器在监测的基础上可以进行短路灭弧,有效的补充了电气火灾监控系统,完善了电气火灾的预防和治理。
对于安装了电气火灾设备的地下商场可以采用智慧用电管理方案,利用现代网络技术,安全用电云平台或者智慧消防云平台对整个商场的末端用电进行管理和维护,实现可靠,安全,节能,有效的用电管理。
参考文献
[1] 安科瑞企业微电网设计与应用手册.2021.07版
[2]李倩, 刘庭全. 某商场防火分区性能化防火设计分析[J]. 消防科学与技术, 2016, 35(11):3.
[3]李宏伟. 关于大型商场防火设计的几点思考[J]. 企业研究, 2014(8X):1.
作者介绍:
涂志燕,女,现任职于安科瑞电气股份有限公司,主要研究方向为低压配电安全用电领域。
锅炉之家客服热线:











