按钮、行程开关、接近开关、转换开关、拨码器、各种传感器等,输出设备有继电器、接触器、电磁阀等都是PLC常见的输入设备有。想要正确地连接PLC与7种设备的输入输出线路,就需注意以下几个方面:
1.PLC与主令电器类设备的连接
下图是PLC与按钮、行程开关、转换开关等主令电器类输入设备的接线示意图。图中的PLC为直流汇点式输入,即所有输入点共用一个公共端COM,同时COM端内带有DC24V电源。若是分组式输入,也可参照下图的方法进行分组连接。

采用欧美系PLC无线通讯终端DTD434MC以1主46从的RS-485无线通讯方式来无线控制每个料条上煤堆的喷雾降尘的工作。
无线通讯方案示意图▼

2.PLC与旋转编码器的连接
如图所示是输出两相脉冲的旋转编码器与FX系列PLC的连接示意图。编码器的COM端与PLC输入COM端连接,A、B两相脉冲输出线直接与PLC的输入端连接,连接时要注意PLC输入的响应时间。有的旋转编码器还有一条屏蔽线,使用时要将屏蔽线接地。
3.PLC与传感器的连接
传感器的种类很多,其输出方式也各不相同。当采用接近开关、光电开关等两线式传感器时,由于传感器的漏电流较大,可能出现错误的输入信号而导致PLC的误动作,此时可在PLC输入端并联旁路电阻R,如图6-8所示。当漏电流不足lmA时可以不考虑其影响。

采用工业级无线数据终端DTD433MC 以1主多从的RS-485无线通讯方式完成多个车间仪表数据无线采集的无线通讯工作。
无线通讯方案示意图▼

4.PLC与多位拨码开关的连接
下图为4位拨码开关组装在一起,把各位拨码开关的COM端连在一起,接在PLC输入侧的COM端子上。每位拨码开关的4条数据线按一定顺序接在PLC的4个输入点上。由图可见,使用拨码开关要占用许多PLC 输入点,所以不是十分必要的场合,一般不要采用这种方法。

利用双向混合信号无线装置DTD122FHCY将采集到的浓缩池含水率、清水流量等传感器数据无线传输到就地程控柜的PLC内,再通过PLC程序判断,输出控制指令给刮泥机。
无线通讯方案示意图 ▼

5.PLC与输出设备开关的连接
以FX2N为例说明PLC与输出设备的连接方法。图中接法是输出设备具有相同电源的情况,所以各组的公共端连在一起,否则要分组连接。图中只画出Y0-Y7输出点与输出设备的连接,其它输出点的连接方法相似。

利用三菱PLC无线通讯终端DTD435MC,完成昆仑通态使用三菱PLC FX2N编程口通过专用协议对PLC站点相应寄存器进行读写操作。

6.PLC与感性负载的连接
图中,续流二极管可选用额定电流为1A、额定电压大于电源电压的3倍;电阻值可取50~120Ω,电容值可取0.1~0.47μF,电容的额定电压应大于电源的峰值电压。接线时要注意续流二极管的极性。

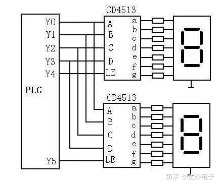
7.PLC与七段LED显示器的连接
如图所示电路中,采用具有锁存、译码、驱动功能的芯片CD4513驱动共阴极LED七段显示器。

采用欧美系PLC无线通讯终端DTD418M完成组态王、触摸屏与多台 PLC在Profinet协议下的自组网无线通信实现过程。
无线通讯方案示意图▼

锅炉之家客服热线:











