一、水、汽管道
(一)水、汽管道代号
水、汽管道可用线型区分,也可用代号区分。
水、汽管道代号




(二)水、汽管道阀门和附件图例
水、汽管道阀门和附件图例




二、风道
(一)风道代号
风道代号

(二)风道、阀门及附件图例
风道、阀门及附件图例





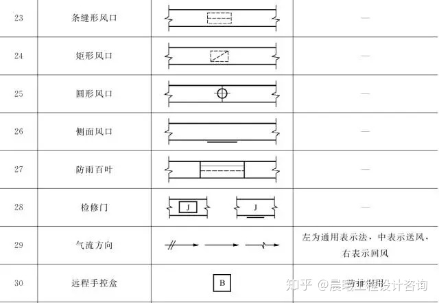
风口和附件代号


三、暖通空调设备
暖通空调设备图例




四、调控装置及仪表
调控装置及仪表图例




本素材来源于网络,版权归原作者所有!
如有侵权,请联系删除!


一、水、汽管道
(一)水、汽管道代号
水、汽管道可用线型区分,也可用代号区分。
水、汽管道代号




(二)水、汽管道阀门和附件图例
水、汽管道阀门和附件图例




二、风道
(一)风道代号
风道代号

(二)风道、阀门及附件图例
风道、阀门及附件图例





风口和附件代号


三、暖通空调设备
暖通空调设备图例




四、调控装置及仪表
调控装置及仪表图例




本素材来源于网络,版权归原作者所有!
如有侵权,请联系删除!

