SZL型换热器是一种新型高效的空气加热设备,它采用了先进工艺的复合技术,具有最佳的换热效果。是以高温蒸汽和导热油为热介质进行空气加热装置的最佳选择。该类型散热器在化工、纺织印染、化纤、橡胶、皮革、木材、涂装烤漆、食品、塑胶PVC、印花、制药等行业得到了广泛应用。
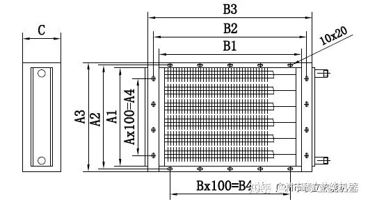
SZL型散热器的翅片管一般采用无缝钢管Φ18×2.0-38、Φ25×2.0-50、Φ25×2.0-55等规格,不同的表面管数、排数和管长可以组成多种规格的散热器。热介质的流动可以单流程或多流程,换热介质工作压力2.0MPa以下,工作温度300℃以下。
SZL型散热器其复合翅片管的基管材质可以是碳钢、铜、钛材、不锈钢等。双金属紧密复合后,其散热管具有热阻小(无接触热阻)、传热性能好、强度高、阻力小、不易结尘、防腐性能强、光洁美观、工作寿命长等特点。

型号、规格举例:

SZL型散热排管的结构特性表

SZL型散热器规格(可定制)


客服热线:











