敞开楼梯与敞开楼梯间。一字之差,区别还是很大的,敞开楼梯间属于建筑的疏散楼梯间[且按防火设计标准允许采用敞开楼梯间作为疏散楼梯间的建筑,该敞开楼梯间不算上、下层的开口,防火分区面积也不须叠加计算。详见GB50016-2014(2018年版)中5.3.2条文说明[1]],其入口为安全出口[详见GB50016-2014(2018)年版中2.1.4条文,及图示如下]。

疏散楼梯的选择详见我的文章
https://zhuanlan.zhihu.com/p/84947658室内的敞开楼梯算作上、下层的开口,详见GB50016-2014(2018年版)中5.3.2条文。但室外楼梯可以作为建筑的疏散楼梯,其入口也可作为安全出口。所以在执行防火设计标准时,应注意区分,如:GB51251-2017中的4.2.3条文:“设置排烟设施的建筑内,敞开楼梯和自动扶梯穿越楼板的开口部应设置挡烟垂壁等设施。”这里指的就是敞开楼梯而并非敞开楼梯间。
那么形式上如何区分敞开楼梯与敞开楼梯间呢[2]?
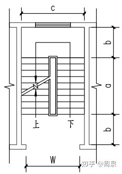
答:敞开楼梯是开口宽度较大或两面及以上无分隔墙体或围护结构不符合耐火极限要求的楼梯。敞开楼梯间一般为具有三面相对封闭的围护结构,在楼层入口处未设置防烟门或防烟门不符合规范要求的楼梯间[封闭楼梯间入口门的设置,详见GB50016-2014(2018年版)中6.4.2-3强制性条文]。敞开楼梯与敞开楼梯间的主要区别在与楼梯周围的分隔墙体在每个楼梯层的开口宽度大小,开口宽度越小,越有利于阻滞火势和烟气通过楼梯蔓延。在工程设计时,可按如下规则来区分敞开楼梯与敞开楼梯间。当楼梯四周围护结构在每个楼层的开口宽度≤其周长的1/4时,可视为敞开楼梯间,详见下图,否则应为敞开楼梯。

以上~
客服热线:











