
1、电动恒流量调节阀的安装说明
(1)安装时保证阀体上箭头方向与水流量方向一致,不得反向安装;
(2)保证阀门水平安装,电动执行机构朝向上方,安装位置上方留出与该规格阀门相同高度的空间,便于清理与维护;
(3)运行当中,应保持水质符合使用要求;
(4)为保证电动恒流量调节阀正常运行,在其前后应安装可靠的关断阀门,以便发生堵塞后,及时拆卸清理与维护。
(5)电动恒流量调节阀参数表
| 型号 | 规格 | 流量范围m3/h | 外形尺寸mm | 重量kg | ||
| 长 | 全高 | 法兰中心至执行器顶端高度 | ||||
| DHL3-4B1.6 | DN40 | 0.8~8 | 200 | 420 | 350 | 14 |
| DHL3-4B1.6 | DN50 | 1~10 | 230 | 435 | 355 | 17 |
| DHL3-4B1.6 | DN65 | 1.5~15 | 290 | 486 | 395 | 25 |
| DHL3-4B1.6 | DN80 | 2~25 | 310 | 510 | 410 | 31 |
| DHL3-4B1.6 | DN100 | 3~35 | 350 | 540 | 430 | 44 |
| DHL3-4B1.6 | DN125 | 5~50 | 400 | 625 | 470 | 75 |
| DHL3-4B1.6 | DN150 | 8~80 | 480 | 635 | 490 | 100 |
| DHL3-4B1.6 | DN200 | 15~160 | 496 | 700 | 500 | 152 |
| DHL3-4B1.6 | DN250 | 30~300 | 622 | 800 | 550 | 240 |
| DHL3-4B1.6 | DN300 | 45~450 | 788 | 900 | 600 | 370 |


2、电动恒流量调节阀调试方法
(1)电动执行机构类型:
电源电压:AC220V、DC24V、AC24V;
输入信号类型:DC4~20mA、DC0~10V、AC220V(脉冲/开关信号);
阀位反馈信号类型:DC4~20mA、DC0~10V、1000Ω/1500Ω。
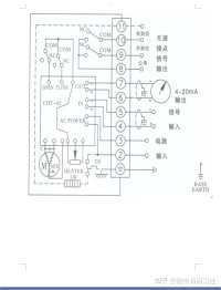
(2)按照电动执行机构的接线图,将电源线、出入信号线、输出信号线连接到指定端子;下图为开关型电动执行器的接线图,实际操作接线时,依据位于电动执行器上盖内部的接线图进行接线操作。

(3)向执行器出入开度信号,观察执行器是否正常旋转,阀位反馈是否正常显示。
3、电动恒流量调节阀的清理及维修步骤
(1)断开电源,由专业人员操作;
(2)做标识(确定上盖与阀体的对应位置),拆下紧固上盖螺丝,旋紧压兰并轻振上盖,使上盖与阀体分离,抓住执行机构提起上盖及上阀瓣,注意不要把联轴器与执行机构脱离,同时检查上阀瓣的取压孔是否堵塞;
(3)轻振波纹管中心螺丝使阀芯活动,抓紧波纹管提出阀芯,拧下波纹管中心螺丝,退出下阀瓣,清理污垢,使阀芯活动自如即可(注意下阀瓣轴顶端是否有垫),安装时注意定位槽位置。
(4)安装完毕后,旋紧上盖螺栓,在压兰螺纹处涂抹黄脂油,然后旋紧压兰。
(5)确定执行器与阀体的相对位置,执行器带手动摇杆插孔的端面与阀体标识面同向;
(6)将执行器与阀体组合前,应把执行器和阀体同时调节到最大开度或最小开度,方便执行器与阀轴连接对位;
(7)旋紧执行器联轴器与阀轴定位的螺栓,减小转角偏差,提高控制精度。

电动恒流量调节阀示意图
附件、调节型电动执行器接线图

客服热线:











