弯头超声波检测方法(规格:OD483×70(mm);材质:普通合金钢)
执行标准:NB/T 47013.3-2015《承压设备无损检测 第3部分:超声检测》5.5承压设备用碳钢和低合金钢锻件超声检测方法和质量分级
前期准备:检测前应了解被检弯头的内壁结构情况,查阅有关设计资料
检测时机:热处理后
检测面要求:表面粗糙度Ra≤6.3µm
检测方法:手工A型脉冲反射法超声波检测
直探头为主要检测方法,斜探头为辅助检测方法。
纵向直探头检测方法:
探头:单晶直探头,2.5MHz,Φ20mm
检测位置:两端面进行检测
校验声速
单晶直探头对比试块:单晶直探头检测采用CS-2试块调节基准灵敏度
曲面对比试块调节基准灵敏度(试块曲率半径在工件曲率半径的0.7倍~1.1倍范围内)
距离-波幅曲线:使用CS-2试块分别选择检测距离为50mm、70mm、150mm的Φ2mm平底孔,制作单晶直探头的距离-波幅曲线,并以此作为基准灵敏度。
扫查灵敏度:基准灵敏度提高6dB
耦合方式:直接接触法
耦合剂:机油
耦合补偿:4dB
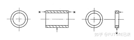
扫查方式:移动探头从两个相互垂直的方向在检测面上作100%扫查(垂直检测法)。

斜探头轴向检测方法(附录E):
探头:单晶斜探头,2.5MHz 9×9mm K1.0
校验声速,测量探头前沿距离。
试块:CSK-ⅠA、对比试块。
对比试块采用与被检测钢管具有相近的名义尺寸及化学成分、表面状况、热处理状态和声学性能的试样,制作对比试块用钢管上没有影响检测设备综合性能测试的自然缺陷。
在内外表面,对比试块人工缺陷分别为平行于管轴的纵向槽口和垂直于管轴的横向槽口,人工缺陷断面形状为V形槽,V形槽的夹角为60°度,V形槽长度为25mm,深度为1mm。
扫查方式:

距离-波幅曲线:从锻件外圆面将探头对准内圆面的标准沟槽,调整增益,使最大反射高度为满刻度的80%,将该值标在面板上,以其为扫查灵敏度;不改变仪器的调整状态,再移动探头测定外圆面的标准沟槽,并将最大的反射高度也标在面板上。将上述两点连接起来,即为距离-波幅曲线。
耦合方式:直接接触法
耦合剂:机油
耦合补偿:4dB
记录:波幅在距离-波幅曲线高度50%以上的缺陷反射波和缺陷位置。缺陷指示长度按-6dB法测定。当相邻两个缺陷间距小于或等于25mm时,按单个缺陷处理。
锅炉之家客服热线:











