碳源计算公式
01
碳源选择
通常反硝化可利用的碳源分为快速碳源(如甲醇、乙酸、乙酸钠等)、慢速碳源(如淀粉、蛋白质、葡萄糖等)和细胞物质。不同的外加碳源对系统的反硝化影响不同,即使外加碳投加量相同,反硝化效果也不同。
与慢速碳源和细胞物质相比,甲醇、乙醇、乙酸、乙酸钠等快速碳源的反硝化速率最快,因此应用较多。表1 对比了四种快速碳源的性能。

02
碳源投加量计算
1)氮平衡
进水总氮和出水总氮均包括各种形态的氮。进水总氮主要是氨氮和有机氮,出水总氮主要是硝态氮和有机氮。
进水总氮进入到生物反应池,一部分通过反硝化作用排入大气,一部分通过同化作用进入活性污泥中,剩余的出水总氮需满足相关水质排放要求。
2)碳源投加量计算
同化作用进入污泥中的氮按BOD5去除量的5%计,即0.05(Si-Se),其中Si、Se分别为进水和出水的BOD5浓度。
反硝化作用去除的氮与反硝化工艺缺氧池容大小和进水BOD5浓度有关。
反硝化设计参数的概念,是将其定义为反硝化的硝态氮浓度与进水BOD5浓度之比,表示为Kde(kgNO3--N/kgBOD5)。
由此可算出反硝化去除的硝态氮
[NO3--N]=KdeSi。
从理论上讲,反硝化1kg 硝态氮消耗2.86kgBOD5,即:
Kde=1/2.86(kg NO3--N/kgBOD5)
=0.35(kg NO3--N/kgBOD5)
污水处理厂需消耗外加碳源对应氮量的计算公式为:
N=Ne计-NsNe计=Ni-KdeSi-0.05(Si-Se)
式中:
N—需消耗外加碳源对应氮量,mg/L;
Ne 计—根据设计的污水水质和设计的工艺参数计算出能达到的出水总氮,mg/L;
Ns— 二沉池出水总氮排放标准,mg/L;
Kde—0.35,kg
NO3--N/kgBOD5;
Si—进水BOD5浓度,mg/L;
Se—出水BOD5浓度,mg/L;
Ne计需通过建立氮平衡方程计算,生化反应系统的氮平衡见图1。

通过计算出的氮量,折算成需消耗的碳量。
除磷计算公式
01
除磷药剂投加量的计算
国内较常用的是铁盐或铝盐,它们与磷的化学反应如式(1)、(2)。
Al3++PO3-4→AlPO4↓(1)
Fe3++PO3-4→FePO4↓(2)
与沉淀反应相竞争的反应是金属离子与OH-的反应,反应式如式(3)、(4)。
Al3++3OH-→Al(OH)3↓(3)
Fe3++3OH-→Fe(OH)3↓(4)
由式(1)和式(2)可知去除1mol的磷酸盐,需要1mol的铁离子或铝离子。
由于在实际工程中,反应并不是100%有效进行的,加之OH-会参与竞争,与金属离子反应,生成相应的氢氧化物,如式(3) 和式(4),所以实际化学沉淀药剂一般需要超量投加,以保证达到所需要的出水 P浓度。
《给水排水设计手册》第5册和德国设计规范中都提到了同步沉淀化学除磷可按1mol磷需投加1.5mol的铝盐 (或铁盐)来考虑。
为了计算方便,实际计算中将摩尔换算成质量单位。如:
1molFe=56gFe,1 molAl=27gAl,1molP=31gP。
也就是说去除1kg磷,当采用铁盐时需要投加:
1.5×(56/31)=2.7 kgFe/kgP;
当采用铝盐时需投加:1.5×(27/31)= 1.3kgAl/kgP。
02
需要辅助化学除磷去除的磷量计算
同步沉淀化学除磷系统中,想要计算出除磷药剂的投加量,关键是先求得需要辅助化学除磷去除的磷量。对于已经运行的污水处理厂及设计中的污水处理厂其算法有所不同。
1)已经运行的污水处理厂 PPrec=PEST-PER
(5) 式中
PPrec——需要辅助化学除磷去除的磷量,mg/L;
PEST——二沉池出水总磷实测浓度,mg/L;
PER——污水处理厂出水允许总磷浓度,mg/L。
2)设计中的污水处理厂
根据磷的物料平衡可得: PPrec=PIAT-PER-PBM-PBioP
(6) 式中
PIAT——生化系统进水中总磷设计浓度,mg/L;
PBM ——通过生物合成去除的磷量,PBM= 0.01CBOD,IAT,mg/L;
CBOD,IAT——生化系统进水中BOD5实测浓度,mg/L;
PBioP——通过生物过量吸附去除的磷量,mg/L。
PBioP值与多种因素有关,德国 ATV-A131标准中推荐PBioP的取值可根据如下几种情况进行估算:
(1)当生化系统中设有前置厌氧池时,PBioP可按(0.01~0.015)CBOD,IAT进行估算。
(2)当水温较低、出水中硝态氮浓度≥15mg/L,即使设有前置厌氧池,生物除磷的效果也将受到一定的影响,PBioP可按(0.005~0.01)CBOD,IAT进行估算。
(3)当生化系统中设有前置反硝化或多级反硝化池,但未设厌氧池时,PBioP可按≤0.005CBOD,IAT进行估算。
(4)当水温较低,回流至反硝化区的内回流混合液部分回流至厌氧池时(此时为改善反硝化效果将厌氧池作为缺氧池使用),PBioP可按≤0.005CBOD,IAT进行估算。
反渗透计算公式







水泵计算公式
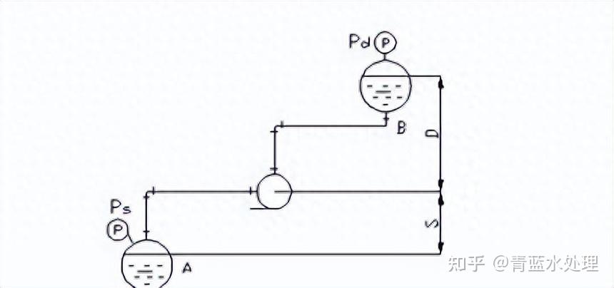
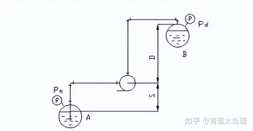
泵的扬程计算是选择泵的重要依据,这是由管网系统的安装和操作条件决定的。计算前应首先绘制流程草图,平、立面布置图,计算出管线的长度、管径及管件型式和数量。
一般管网如下图所示,(更多图例可参考化工工艺设计手册)。
D——排出几何高度,m;
取值:高于泵入口中心线:为正;低于泵入口中心线:为负;
S——吸入几何高度,m;
取值:高于泵入口中心线:为负;低于泵入口中心线:为正;
Pd、Ps——容器内操作压力,m液柱(表压);
取值:以表压正负为准
Hf1——直管阻力损失,m液柱;
Hf2——管件阻力损失,m液柱;
Hf3——进出口局部阻力损失,m液柱;
h ——泵的扬程,m液柱。

h=D+S+hf1+hf2+h3+Pd-Ps

h= D-S+hf1+hf2+hf3+Pd-Ps

h= D+S+hf1+hf2+hf3+Pd-Ps
计算式中各参数符号的意义↓

某些工业管材的ε约值见下表↓

管网局部阻力计算 ↓

常用管件和阀件底局部阻力系数ζ↓

隔油池计算公式
01
设计基准
- 可能分离的油的最小粒径:d≥15μm;
- 油的密度:ρ=0.92~0.95g/cm3;
- 隔油池水平流速:v≤0.9m/min,且不大于油滴上浮速度的15倍;
- 池子的尺寸范围:深度0.9~2.4m;宽度1.8~6.1m;深度/宽度0.3~0.5;安全系数k=1.6。
02
计算
过水断面积A:A=Q/v,m2(1)式中:
Q——处理水量,m3/min;
v——水平流速,m/min;
v≤15u (2)

式中
G——重力加速度,980cm/s2
ρ油——油的密度,g/cm3
ρ水——水的密度,g/cm3
d——油滴粒径,一般取0.015cm
μ——动力粘度系数,(g·s)/cm2,当水温为20℃时μ=0.0102
u——油滴上浮速度,m/min
池子宽度B和有效水深h1,按设计基准取下限值,然后校核Bh1≥A,否则重新设定B、h1值。
池总长度 L=L1+L2+L3+L4
式中
L1——布水槽宽度,一般取0.5~0.8m;
L2——油水分离区有效长度,m;
L2=kvt,m (3-5-39)
式中
t——沉淀时间,min
t=h1/u (3-5-40)
其他符号同前
L3——集水槽宽度,一般取0.8m;
L4——吸水井宽度,m。
吸水井有效容积大于排水泵5min排水量。
03
浮上油的处置
浮油经撇油管收集,自流出水外。在浮油量不 大,来水比较稳定时,可在池外用油桶接受,否则 需设贮油坑,坑顶面高度与隔油池顶相平。对温度 低时粘度较大的浮油,贮油坑里可设蒸汽加热。

1—料斗;2—定量给料器;3—溶解溶液桶;
4—搅拌机;5—计量泵;6—Y型过滤器
 客服热线:
客服热线: 手机版
 手机版 二维码
 二维码
 
   
        











 
         
        