面议
面议
| 品牌上海港仪阀门有限公司 | 有效期至长期有效 | 最后更新2022-11-21 04:44 |
| 浏览次数0 |
加工定制:
是
工作温度:
常温
连接形式:
法兰
材质:
碳钢
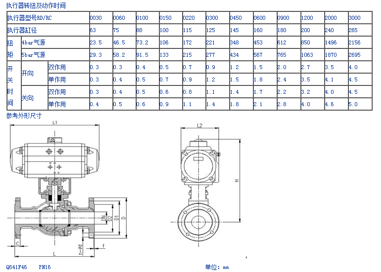
型号:
Q641F46
品牌:
上海港仪阀门



| 公司名 | 上海港仪阀门有限公司 | 经营模式 | |
|---|---|---|---|
| 注册资本 | 未填写 | 公司注册时间 | 2004 |
| 公司所在地 | 上海 | 企业类型 | 企业单位 () |
| 保 证 金 | 已缴纳 0.00 元 | ||
| 主营行业 | , | ||
| 主营产品或服务 | 电动调节阀、气动调节阀、减压阀、气动蝶阀、电动蝶阀、气动球阀、电动球阀、闸阀、止回阀、截止阀等 | ||

面议
面议
面议
面议
面议