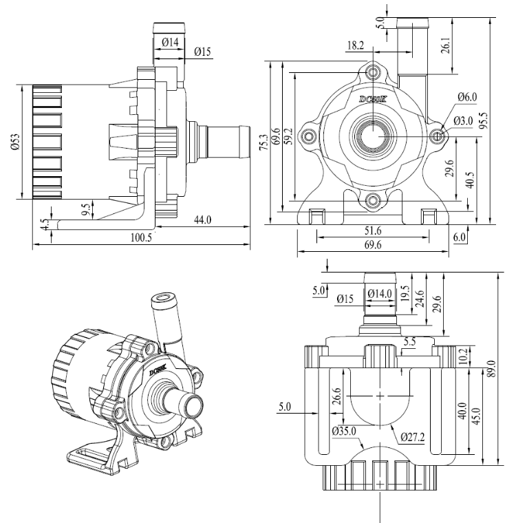
序号类别规格1泵体尺寸及重量100.5mmx95.5mmx69.6mm;480g2水泵出水口外径14mm3水泵进水口外径14Mm4驱动方式无刷直流磁力隔离 (三相无传感器程序驱动)5水泵壳体材料PA66+30%GF (可更换)6使用方式可长时间连续运转7使用介质水,油,以及其他酸碱溶液8最大工作温度60℃【两相/T系列】或者100℃【三相/S或A系列】9功耗2.5W~45.6W【两相】;2.5W~86.4W【三相】10额定电压12Vdc或 24Vdc11使用电压5Vdc ~ 14Vdc(最大)或5Vdc ~ 26Vdc(最大)12最大负载电流2.0A【两相】or 4.5A【三相】13最大流量18L/MIN【两相】; 23L/MIN【三相】 14最大静态扬程9M【两相】;16M【三相】 15噪音<40dB (1M距离)16防水等级IP68(可潜水安装)17寿命大于30000小时18供电方式太阳能板,蓄电池,适配器,电源模块19保护功能(选配)可选配缺水保护、空转保护、堵转保护、卡死保护20调速功能(调功率)(选配)可选配PWM调速,0~5V模拟信号调速,电位器调速21速度反馈(选配)脉冲信号, 水泵的实际转速为脉冲信号频率的30倍22水泵特点1、体积小,效率高,寿命长,噪音低;2、陶瓷轴芯,碳纤维石墨轴套超级耐磨;3、死亡率低于0.5%4、无碳刷无磨损,采用电子换向,三相直流水泵采用智能程序驱 动,软启动无冲击,自带保护功能;5、软启动可直接连接太阳能板供电;6、采用耐高温材料,三相水泵可浸泡100度开水长期运转;7、水电隔离,环氧树脂灌封,完全防水,防漏电;水泵内部结构特点

参数表(仅供参考,水泵24V扬程调制范围3~5M,12V扬程,范围2-3.5M)型号电压最大负载电流最大扬程最大流量最大功耗V (dc)AmL/HWDC50K-1260T122.06.090024DC50K-1260SDC50K-1260A DC50K-12120S124.512126054 DC50K-12120ADC50K-2490T242.09.0108048DC50K-2490SDC50K-2490ADC50K-24160S243.6016138086.4DC50K-24160A选型注意事项选型时务必给出使用环境:例如连续工作时间、水温、介质等,水泵功率超过一定的功率就不适合长期在60度或者100度以上水温连续工作,务必与技术员沟通以便选择最合适的水泵!上述电流为水泵的开口电流即当水泵直接放入水中不接任何系统时的电流,也为水泵最大电流,当水泵接上系统之后水泵的工作电流会降低到最大负载电流的70%-85%。水泵的扬程为最大送水高度,即到达最大扬程点的流量为零。水泵的流量为水平流量,即水平抽水的流量。两相直流水泵与三相直流水泵(无传感器智能)的区别两相(T系列)u 传感器驱动,电路板必须内置,无法通过智能方式调速启动有冲击三相(S/A系列)u 直流三相指的是无传感器智能驱动,电路板可外置(泵体可以耐高温)。u 可调速(PWM 、0~5V模拟信号、电位器调速)【选配】u 堵转及反接保护,过压过流保护,过温保护u 软启动,启动电流低,无冲击,特别适用于太阳能板直接供电