要说清楚这个问题,先要理一理防火门的基础知识,如下:
防火门标记与规格

防火门规格用门洞洞口尺寸表示。
eg.GFM-0924-bslk5A1.50(甲级)-1:
- GFM—钢质防火门;
- 0924—门洞洞口尺寸(防火门规格),洞口宽度为900mm,洞口高度为2400mm;
- b—防火门门扇上带防火玻璃;
- s—防火门门框为双槽口;
- l—防火门带亮窗;
- k—门框有下框;
- 5—门扇顺时针方向关闭;
- A1.50(甲级)—A类(隔热)甲级防火门,耐火完整性和耐火隔热性的时间≥1.50h;
- 1—单扇防火门。
防火门的安装
防火门为平开门。
一般无下框平开门框应埋入地面标高线约25~30mm,门上框应与洞口预留10~15mm间隙,故无下框平开门门框高度应为洞口高度加10~15mm。而对于带下框平开门,其下框应埋入地面标高线约10~15mm,门上框亦应与洞口预留10~15mm间隙,故带下框平开门门框高度应为洞口高度减5~10mm。
防火门的门洞与门框
防火门门洞与门框尺寸详见12J609,如下:

可见:设防火门规格A×B(宽×高),则门框内净尺寸:
宽=A−20(门框两边与门洞间隙)−90(门框厚度×2)=A−110(mm);
高=B−10(门框与门洞间隙)−45(门框厚度)=B−55(mm)
同时,防火门门扇与门框的搭接尺寸应≥12mm,搭接尺寸详见下图

实际防火门门扇与门框的搭接构造如下图:

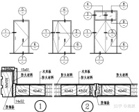
疏散门的净宽度
如下图:

疏散门净宽度估算:门扇与门框的搭接按20mm计算,门厚按45mm(钢制防火门门扇厚度45mm;木质防火门门扇厚度42mm;不锈钢防火中空玻璃门,门扇不锈钢型材厚度60mm。常见木质、钢制防火门,故取45mm)计算。
双开门疏散门净宽度=A−20(门框两边与门洞间隙)−90(门框厚度×2)−90(门扇厚度×2)=A−200mm;
单开门疏散门净宽度
=A−20(门框两边与门洞间隙)−90(门框厚度×2)−45(门扇厚度)−20(搭接尺寸)=A−175mm。
对于1050×2100的乙级单开防火门,笔者就以木质防火门来计算:门扇厚度取42mm、搭接尺寸取15mm,即便均取最小值:其疏散门净宽度=1050−20−90−42−15=883mm<900mm,不满足疏散宽度≥900mm的要求。
如下图:

综上,设计图中选用1050×2100的乙级单开防火门,作为疏散净宽度要求≥900mm处的疏散门时,图上所标示的疏散门净宽度就已经不能满足疏散净宽度≥900mm的要求。因此,也就不属于可以适用XF836-2016中6.2.3-b条文的情形。
结论:
疏散门的净宽度要求≥900mm,不能采用规格1050×2100的乙级单开防火门。
以上~
锅炉之家客服热线:











