离心式压缩机轴承为滑动轴承,根据承受载荷的不同分为径向轴承和止推轴承两类。径向轴承的作用是承受转子重量和其他附加径向力,保持转子转动中心和气缸中心一致,并在一定转速下正常旋转。止推轴承的作用是承受转子的轴向力,限制转子的轴向窜动,保持转子在气缸中的轴向位置。
滑动轴承按其工作原理又分为静压轴承和动压轴承。
静压轴承是利用液压系统供给压力油于轴颈与轴承之间。使轴颈与轴承分开,从而保证轴承在各种载荷和转速之下都完全处在液体摩擦之中。因此静压轴承具有较高的承载能力、摩擦阻力小、寿命高等优点,但必须具有一套完整的供油液压系统。
动压轴承工作依靠轴颈本身的旋转,把润滑油带入轴颈与轴瓦之间,形成楔状油楔,油楔受到负荷的挤压而产生油压将轴颈与轴瓦内壁分开,轴颈与轴瓦形成油膜处于液体摩擦状态,如图1所示,减少了摩擦与磨损,从而使轴转动轻巧灵活。
离心压缩机目前广泛采用的是动压轴承。常见的各种动压轴承介绍如下。

图1 动压轴承工作原理
01 径向轴承
径向轴承的结构形式很多,目前比较常用的是圆瓦轴承、椭圆瓦轴承和可倾瓦轴承。
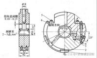
(1)圆瓦轴承 如图2所示为圆瓦轴承,上下两半瓦由螺钉 5 连接在一起,为保证上下瓦对正,中心设有销钉。轴瓦内孔浇铸巴氏合金。轴颈放在轴瓦上时,轴承顶隙等于两侧隙之和。轴颈和轴瓦的接触角不小于60°~70°,在此区域内保证完全接触。润滑油经由下轴瓦垫片4上的孔进入轴瓦并由轴颈带入油楔,经由轴承的两端而泄入轴承箱内。一般润滑油压力为0.039~0.049MPa (表压)。垫块1和3保证轴瓦在轴承壳中定位及对中,可以通过磨削垫片2和4来调整轴承的位置。圆瓦轴承多用于低速、重载的离心式压缩机上。

图2 圆瓦轴承
1,3一垫块;2,4一垫片;5一螺钉;6一销钉
(2)椭圆瓦轴承 椭圆瓦轴承的轴瓦内表面呈椭圆形,轴承侧隙大于或等于顶隙,一般顶隙为轴径d的(1~1.5)/1000,侧隙为轴径d的(1~3)/1000。轴颈在旋转中形成上下两部分油膜(图3),这两部分油膜的压力产生的合力与外载荷平衡。与圆瓦轴承相比稳定性好,在运转中若轴向上晃动,则上面的间隙变小,油膜压力变大,下面的间隙变大,油膜压力变小,两部分力的合力变化会把轴颈推回原来的位置,使轴运转稳定;同时由于其侧隙比圆柱轴承侧隙大,所以沿轴向流出的油量大,散热好,轴承温度低。

图3 椭圆瓦轴承
这种轴承的承载能力比圆瓦轴承低,由于产生上下两个油膜,功率消耗大,在垂直方向抗振性好,但水平方向抗振性差些。
(3)可倾瓦轴承 又称倾斜块式径向轴承。可倾瓦轴承主要由轴承套、两侧油封和可以自由摆动的瓦块构成。这种轴承由三个或更多个瓦块所组成,一般是五块瓦,轴瓦可以摆动。如图4所示为五油楔倾斜块式径向轴承,沿轴颈的周围均匀分布五个瓦块,各自可以绕自身的一个支点摆动。在轴颈的正下方有一个瓦块,以便停机时支承轴颈及冷态时用于找正。每块瓦的外径都小于轴承套的内径。瓦背圆弧与轴承套孔是线接触,它相当于一个支点。当机组转速、负荷等运行条件变化时,瓦块能在套的支承面上自由地摆动,自动调节瓦块位置,形成最佳润滑油楔。为了防止轴瓦随轴颈沿圆周方向一起转动,每个瓦块上都用一个装在壳体上并与轴瓦松配的销钉或螺钉来定位,图3中的定位销在瓦块中间,也有不在中间的,进油道至定位销的距离比出口边至定位销的距离大。为了防止轴瓦沿轴向和径向窜动,把瓦块装在套内的T形槽中。瓦块浇注有巴氏合金,巴氏合金厚度为0.8~2.5mm。为保证巴氏合金与瓦块紧密贴合,在瓦块上预制出沟槽。轴承套上下水平剖分,安装在轴承座内,并用螺栓和定位销钉定位以保证对中,为了防止轴承套转动,装有一个径向定位销钉。一般情况下,轴承套外径紧配在轴承座内。也可以把轴承套做成凸球面,装在轴承座的凹球面的支承上与其相吻合,从而轴承套可以自动调位,以适应轴的弯曲和轴颈不对中时所产生的偏斜。轴承的进油口数各不一样,有的轴承只有一个进油孔,有的轴承采用瓦块与瓦块间都有进油孔,但总是布置在不破坏油膜的地方。润滑油沿轴向排出去。在轴承两端的壳体上有一个与凹槽相通的排油孔,润滑油集中到凹槽中,经过排油孔流回油箱,也有的从上方排油孔排出。可倾瓦轴承与其他轴承相比,其特点是由多块瓦组成,每一瓦块都可以摆动,因而使可倾瓦轴承在任何情况下都有利于形成最佳油膜,不易产生油膜振荡。

图4 五油楔倾斜块式径向轴承
1—瓦块;2一上轴承套;3—螺栓;4—圆柱销;5—下轴承套;6—定位销钉;7一进油节流环
02 止推轴承
止推轴承如图5所示,止推盘与止推块之间具有一定的间隙,并且止推块可以摆动。当止推盘随轴高速旋转时,润滑油被带入止推盘和止推块的间隙中,从而产生油压来平衡轴向力,同时形成油膜使止推盘与止推块处于液体摩擦状态,以减少其摩擦,保证止推轴承正常运行。
止推轴承的结构形式较多,在离心式压缩机上目前广泛采用的是金斯泊尔轴承和米契尔轴承。

图5 止推轴承
1—止推盘;2-止推块
(1)金斯泊尔轴承 如图6 所示,它的活动部分是由扇形止推块1、上摇块2、下摇块3 三层零件叠成,故又称浮动叠层式止推轴承。其扇形止推块底部镶有硬质合金做成的支承面,它支承在上摇块上可以自由摆动,上摇块则支在下摇块上,下摇块本身又可在壳内摆动,它们彼此间均能作相对摆动,因此能更好地保证各块扇形止推块自动调位,受力更为均匀。

图6 金斯泊尔止推轴承
1—扇形止推块;2一上摇块;3一下摇块
金斯泊尔轴承承载能力大,允许推力盘有较高的线速度,磨损较慢,使用寿命长,更适宜用于高速重载的离心式压缩机中。其缺点是轴向尺寸较大,制造工艺较复杂。
这种轴承在高速、高压的离心压缩机中采用比较广泛。我国大型化肥厂进口的合成氨压缩机及二氧化碳压缩机中都采用这种轴承。
(2)米契尔轴承 如图7所示为米契尔止推轴承和径向轴承组成的径向止推轴承。米契尔止推轴承主要由止推盘20和止推块14组成。止推盘20装在轴上随轴转动,沿圆周方向均匀分布的单层扇形止推块14(一般6~12块)和螺钉9一起装在半圆套环10及薄环11之间,半圆套环10和薄环11由螺钉连接在一起。单层扇形止推块14通过块下的球面支点(图中是通过螺钉9头上的球面)与薄环11接触,将轴向力传到轴承座上,扇形止推块上面浇有巴氏合金,它底部的球面支承使止推块能自动调位,形成适宜的油膜。米契尔轴承装在上轴瓦16和下轴瓦21内。
径向轴承左侧也浇有巴氏合金,既能防止轴肩与轴瓦相摩擦,又能避免压缩机在开车时,因气体冲力而产生的转子向高压侧窜动现象。径向轴承的径向位置可以通过改变轴向垫块17、18的厚度来调整,并可以用调节垫片2进行对中。润滑油由垫块3的油孔4进入轴承,并沿轴瓦水平剖分面处的油槽进入径向轴承和止推轴承。由于米契尔止推轴承的止推块直接与薄环接触,因此止推块之间受力不均匀。

图7 米契尔止推轴承和径向轴承组成的径向止推轴承
1,3—垫块;2—调节垫片;4—油孔;5—销钉;6,8—螺母;7,9,12,15,19—螺钉;10—半圆套环;11一薄环;13—密封环;14—单层扇形止推块;16—上轴瓦;17,18—轴向垫块;20—止推盘;21—下轴瓦
锅炉之家客服热线:











